产品展示
沈阳诺德尔主营品牌液压元件经销,液压系统设计制造。欢迎您来电咨询~
- 全国统一服务热线
- 400-024-7795
常见问题
咨询热线:
024-88520781
邮箱:sales@syndeer.com
地址:辽宁省沈阳市沈河区长青街35号万泉商务大厦
跟此产品相关的产品
-
产品详情
-
联系我们
HAWE哈威HD20手动泵的特点是其吸入阀和压力阀均为零泄露,其吸入管应尽可能短,且油箱的油面须和吸入连接口保持同样的高度或高于吸入口,这样可避免非运行状态下泵的吸入口无油液充满。
HAWE哈威HD手动泵技术参数:
HAWE哈威HD手动泵样本:

如有要求请与本公司联系咨询,以便向您推荐合适的产品,本公司常备有德国HAWE哈威HD手动泵,价格优,货期短,部分常规型号长期备货,欢迎询价!
产品样本下载: HAWE哈威HD20手动泵样本
HAWE哈威HD手动泵技术参数:
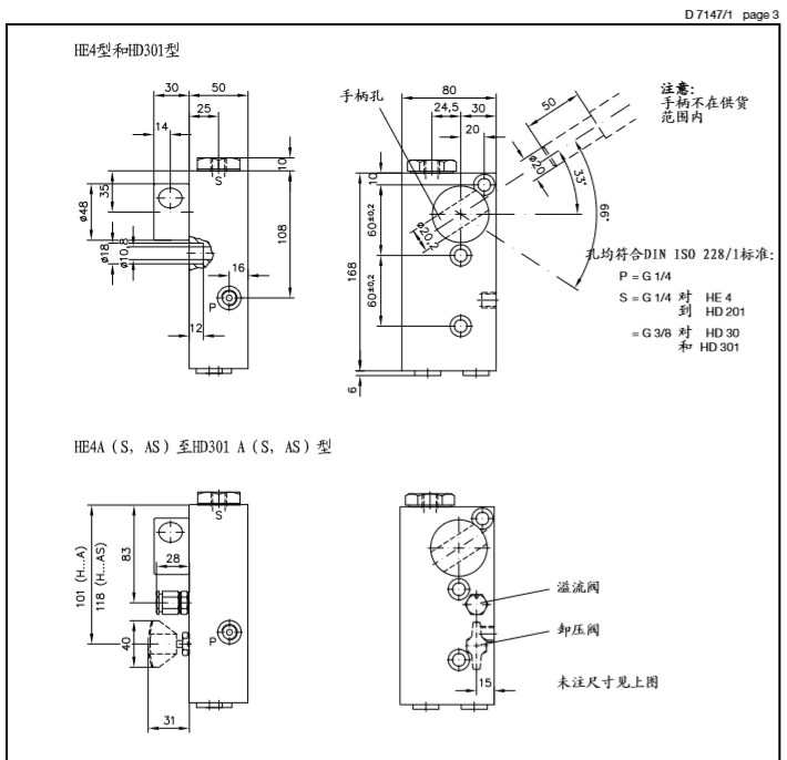
| 油口 |
P=压力油口 S=吸入油口 HE41...HE301型的吸入油可承受大压力约至150bar,因而允许将此吸入油口连接到可以产生压力峰值的回油口 |
| 表面处理 |
H16至HE4...至DH30...型: 泵体氮化处理,使其表面有很好的抗腐蚀性和耐磨性能。表面对油漆有很好的亲和性。诸塞孔经磨削,抛光有好的耐磨性。 |
| 压力油 | 符合DIN 51514的1至3节的液压油:ISO VG 10至68符合DIN51519 |
| 温度 | 环境温度:约-40℃至+80℃;请注意粘度范围!在启动时允许的温度:-40℃(请观察起始粘度) |
HAWE哈威HD手动泵样本:

如有要求请与本公司联系咨询,以便向您推荐合适的产品,本公司常备有德国HAWE哈威HD手动泵,价格优,货期短,部分常规型号长期备货,欢迎询价!
产品样本下载: HAWE哈威HD20手动泵样本
HAWE,哈威,HD20,手动泵






