欢迎来到沈阳诺德尔自动化科技有限公司官方网站,多年同行业技术服务周到,是用户信赖的供应商! 网站地图
全国统一服务热线
400-024-7795

产品展示

沈阳诺德尔主营品牌液压元件经销,液压系统设计制造。欢迎您来电咨询~

全国统一服务热线
400-024-7795

常见问题

电话咨询

咨询热线:

024-88520781

邮箱:sales@syndeer.com

地址:辽宁省沈阳市沈河区长青街35号万泉商务大厦

LHK 32 G-11-300哈威hawe平衡阀

  • 咨询热线:400-024-7795
  • 产品详情

  • 联系我们

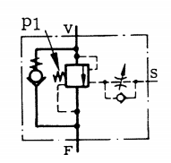
LHK 32 G-11-300哈威hawe平衡阀是HAWE哈威平衡阀LHK系列产品。适用于所有性能较好的提成、摆动或回转装置。HAWE哈威LHK 32 G-11型平衡阀用于总是单向加载的 装置中。

HAWE哈威LHK 32 G-11-300

LHK 32 G-11-300为管式连接,螺纹为G 3/8。开启比1:4.4,流量为30l/min。负载压力范围60-130bar、120-320bar。

下图为诺德尔到货实拍产品
LHK 32 G-11-200,与LHK 32 G-11-300相比的区别在于出厂设置的压力不同。可自行调节设定。

LHK 32 G-11-200哈威平衡阀

HAWE哈威LHK 32 G-11-200平衡阀

产品样本下载:
LHK 32 G-11-300,hawe,哈威平衡阀,